| 地址: | 河北省(shěng)泊頭市道免费一🔞区在线观看🚩東街88号(hao) |
| 電話: | 0317-8185077 |
| 0317-8263980 | |
| 0317-8223128 | |
| 傳真: | 0317-8265584 |
| E-mail: | [email protected] |
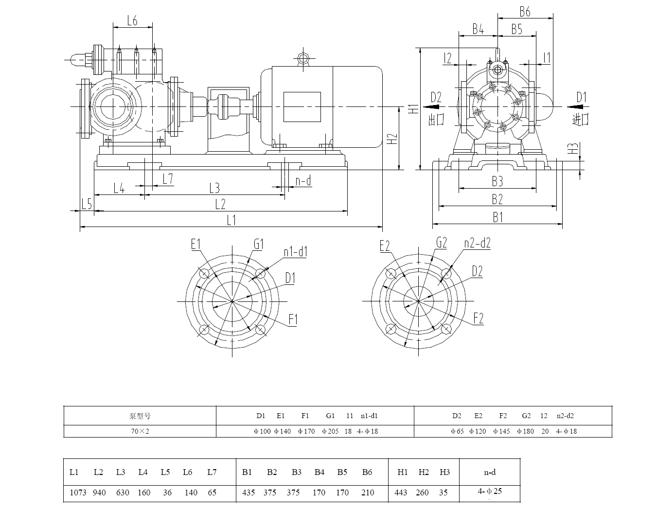
| 3GR70*2W2三螺杆泵配(pei)Y7.5KW-4安裝尺寸圖 |
| 發布(bù)時間:2016-5-20 9:50:12 點擊次數: |
版權所(suǒ)有:芜湖韦纳计算机设备集团(AI智能站) 電話:0317-8183535
傳真:0317-8265584 E-mail:[email protected]備案(an)号:冀ICP05010751号-3
傳真:0317-8265584 E-mail:[email protected]備案(an)号:冀ICP05010751号-3

